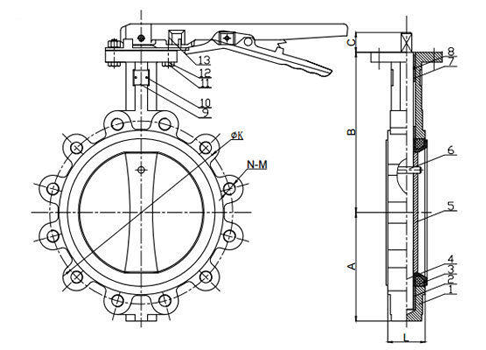
Adoptive Standards:
Valve Design: API 609, MSS SP-67
Face To Face: API 609, MSS SP-67, DIN3202, BS EN558-1
Pressure Test: API 598
Flange Drilling: ANSI B16.1 class125, BS4504 PN10/PN16, DIN2501 PN10/PN16
Top Flange: ISO5211
Features:
Single Eccentric Disc-Shaft
Anti-Blow Out Stem
Bi-Directional
Fire safe Design
Low Friction Body Seat
Zero Leakage
Standard Test :
Body Test: 1.5 times the working pressure with water. This test is performed after valve assembly and with disc in half position open, it is called as a body hydro test.
Seat Test: 1.1 times the working pressure with water.
Function / Operation Test: At the time of final inspection, each valve and its actuator (Flow-Control Lever / Gear / Pneumatic Actuator), under goes a complete operating test (Open/Close). This test carried out without pressure and at ambient temperature. It ensures the correct operation of the valve / actuator assembly with accessories such as solenoid valve, limit switches, air filter regulator etc.
Special Test: On request, any other test can be carried out according to special instruction by client.
简体中文
Русский
Español
















