ADVANTAGES
Bundor Ball check valve configuration: flange connection, DI body, DI cover, ball: carbon steel/ductile iron + EPDM;The application of the product is municipal construction, water conservancy engineering, water supply and drainage, water treatment.
Product advantages
1. The spheroidizing rate of valve body is grade 3, the tensile strength is 450MPa, and the elongation is greater than 10%
2. The valve body is solid and heavy, and the wall thickness reaches the standard
3. The ball is covered with EPDM, the rubber content meets the standard, and the material is guaranteed
4, Using stainless steel bolts, It has high strength and strong corrosion resistance
5.Each valve needs to be tested for casing and sealed double-layer pressure according to the standards before leaving the factory.
PARAMETER INFORMATION
| Name | Design and manufacture | Structure length | Inspection and pressure test standard | Flange connection | |
| Reference standard | AWWA C508 | ASME B16.10 | AWWA C508 | AWWA C508 | |
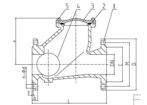
| Name | 1-Body | 2-Ring | 3-cover | 4- Ball | 5-Bolt |
| Material and description | DI | NBR | DI | 2-6″WCB+EPDM 8-16″DI+EPDM |
Stainless steel |
| Nominal size | |||||
| DN | NPS | L | D | M | n-d |
| 50 | 2'' | 203 | 152 | 120.5 | 4-19 |
| 65 | 2 1/2'' | 216 | 178 | 139.5 | 4-19 |
| 80 | 3'' | 241 | 191 | 152.5 | 4-19 |
| 100 | 4'' | 292 | 229 | 190.5 | 8-19 |
| 150 | 6'' | 356 | 279 | 241.5 | 8-22 |
| 200 | 8'' | 495 | 343 | 298.5 | 8-22 |
| 250 | 10'' | 622 | 406 | 362 | 12-25 |
| 300 | 12'' | 698 | 483 | 432 | 12-25 |
| 350 | 14'' | 787 | 533 | 476 | 12-29 |
| 400 | 16'' | 914 | 597 | 539.5 | 16-29 |
RECENT NEWS
CONTACT US
No.37 Puhui Road,Beizhakou Economic Development Zone, Tianjin City, China PR
简体中文
Русский
Español






